随着社会的发展,电梯被越来越多应用到人们日常生活中,已经成为不可或缺的重鼓式制动器、摩托车刹车圈、Drum brake、轮毂刹车圈专业生产厂家无锡九环2022年7月16日讯 要基础设施。近年来,随着电梯使用年限或频次的增加,伴随而来的电梯事故率也不断增加,电梯的安全性和可靠性逐渐成为人们关注的焦点问题,而作为应用最早、使用年限最久、保有量最多的鼓式制动器的质量问题悄然引起了大众敏感度、社会关注度的广泛提高,从而给社会留下了鼓式制动器质量不好的印象。此前国家市场监督管理总局前期发起了电梯鼓式制动器安全隐患专项排查治理等一系列活动及发布了TSG T7007-2022《电梯型式试验规则》。结合新《电梯型式试验规则》的内容,下文对鼓式制动器结构性能、存在问题及问题对策进行剖析,使社会大众对鼓式制动器有更明晰的了解及放心选用。
一.鼓式制动器的优缺点和与块式制动器、盘式制动器的比较
	
1
鼓式制动器的优点
	
1.1 制动力矩可调整:制动力矩可以根据用户需要,在设计选型范围内可调节范围大,更易于匹配现场使用。
1.2 工作行程大,对行程微动开关敏感度要求相对低,不易造成检测信号误报。
1.3 设计的剩余行程较大,加上制动臂杠杆系数,在试车或多次紧急制动后摩擦片磨损量对剩余行程影响量相对较小,剩余行程消失前整机上可调整,且调整方法简便,如现场可以直接用塞尺等检测,成本较低。
1.4安装、调整、检测、 维修仅对现场维保人员有基础技能要求,较为简单方便,所有顶杆螺栓均外露,空间充足,闸皮磨损一目了然,闸瓦打开过大或过小均可直观观察,制动弹簧压缩长度可直接测量。
1.5 制动器输入电压稳定性要求相对较低,电压使用范围大,电压不稳对功能影响相对较小。
1.6 制动器动、静衔铁密封壳体内相互运动,外界异物不易进入动、静衔铁之间,潜在卡阻风险极小。
1.7 制动器缓冲垫可外置,不易老化、便于更换。
	
2
鼓式制动器的缺点
	
2.1 结构不紧凑:安装在曳引机上端、高度空间大、体积大。
2.2 行程大:开闸、抱闸反应时间相对慢,噪声相对大。
2.3 成本高:多一对臂组件,制造成本高。
	
3
鼓式制动器与块式制动器、盘式制动器的比较
	
3.1 相比鼓式制动器,块式、盘式制动器的优点是结构紧凑、行程小、成本低。
3.2 相比鼓式制动器,块式、盘式制动器的缺点
3.2.1 制动力矩不可调整:设计选型后制动力矩已是定值,出厂后不可再次调整,现场使用匹配性差。
3.2.2 工作行程小,对行程微动开关敏感度要求高,易造成检测信号误报。
3.2.3设计的剩余行程较小。摩擦片磨损后,动、静衔铁间隙超出额定值后在整机上不便于调整,基本上是采用一次性设计,只能通过更换来满足曳引机全寿命周期,因此在曳引机全生命周期内成本是高的。
3.2.4 现场安装、调整、检测、 维修困难,间隙一致性相对差,一般维修人员难以掌握,需要经过专业培训人员操作。
3.2.5 输入电压稳定性要求高,电压不稳会导致衔铁抬起异常(如偏吸),造成带闸运行。一般不采用降压使用,温升较高;热态下,存在电磁铁吸力不足的潜在风险。
3.2.6 动、静衔铁间隙大,各类异物易进入动、静衔铁之间,潜在卡阻风险大。
3.2.7 缓冲垫内置,易老化,不易更换。
3.2.8 盘式制动器的摩擦盘采用的是轻质铝合金非导磁材料,通过内齿与碳钢材质的滑键轴联接,摩擦盘内齿极易磨损失效。所以,只能一般用在较低速度且较低层建筑的电梯中。
综上,无论哪种形式的制动器均各有利弊,需要从设计、制造、维保三方面共同努力解决制动器本质安全问题。
	
二.鼓式制动器预防对策
	
鼓式制动器在国内外电扶梯领域已使用多年,其存在的制造及工艺缺点已经充分暴露,结合新《电梯型式试验规则》要求,以下对鼓式制动器典型故障现象提出解决及预防对策,以极大改善鼓式制动器的本质安全性。
	
01
松闸手柄卡阻导致无法制动失效的解决方案
	
1.1预防措施:内置松闸手柄预留自锁角设计,避免达到卡阻位置。
1.2预防措施:内置松闸后自复位设计(如扭簧、凸台等,图1),避免人为遗忘松闸后复位操作导致卡阻。
1.3预防措施:内置松闸手柄轴复位后的限位设计,避免复位后转动而卡阻。
	
图1松闸手柄自复位
	 
	
1.4预防措施:内置松闸手柄接触面圆弧设计,避免多次松闸后尖角碰撞导致卡阻。
1.5预防措施:若无“复位”“限位”设计,则必须选择非导磁材料作为松闸手柄轴。
1.6取消内置松闸手柄,使用外部松闸机构(图2)。
	
	 
图2 鼓式制动器外置松闸机构
	
02
减震垫老化分解、更换的解决方案
	
2.1预防措施:减震垫外置结构(图3),减震垫外置便于更换、操作,且使减震材料远离高温区,同时不存在减震垫磨损、老化异物进入壳体内部的风险。外置减震技术的应用不仅避免了随使用年限减震垫老化造成的潜在卡阻风险,还打破了原有的鼓式制动器高于板式制动器噪声的现状,可将噪声有效控制在45dB以内。
	
	 
图3 外置减震结构
	
03
因产生剩磁而力衰减导致溜车的解决方案
	
3.1预防措施:动铁芯、静铁芯采用工业纯铁材质(图4),不易产生剩磁,解决长时工作力值衰减问题。
注:工业纯铁特点:①工业纯铁力学性能不受热处理的影响;②工业纯铁磁性好且稳定,剩磁小;③工业纯铁韧性大,可塑性好。
	
	 
图4工业纯铁 动、静铁
	
04
因摩擦拉毛、生锈而产生铁屑而卡阻解决方案
	
4.1预防措施:动铁可采用喷涂陶瓷工艺(图5),陶瓷硬度增大,超级耐磨和耐腐,机械设计寿命能够达1000万次以上;陶瓷技术的应用可有效预防常见的卡滞现象,将目前常规200万次机械寿命提升至1000万次以上,使制动器的机械寿命跨上一个新的水平。
	
	 
图5陶瓷工艺
	
05
因润滑脂形成油脂泥胶结或硬化的卡阻解决方案
	
5.1预防措施:采用二硫化钼润滑脂,提升润滑可靠性。
注:二硫化钼润滑脂特点:
①高温下不滴油,不结焦;
②优异的抗磨损性能,粘性强,润滑降噪效果良好;
③极佳的高温性,在高温下具有长久的使用期和稳定性;
④优良的抗燃、抗氧化稳定性,极低的挥发损失;⑤良好的抗水性,在接触水工况下,不易流失,不易乳化。
	
06
常见典型问题-剩余行程不足,造成无法上闸的预防方案
	
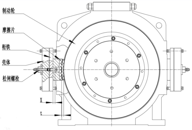
6.1剩余行程不足的原因及危害
不论大批量在用梯使用的鼓式制动器,还是目前及未来市场大批推广的盘式制动器、块式制动器,目前市场上正规生产商都从设计上预留必要的剩余行程,以便在摩擦片磨损后,实现自动退距。如图6中鼓式制动器的剩余行程是指制动器上闸后(摩擦片紧贴制动轮),衔铁(动芯)仍能活动的距离,X即是剩余行程。如图7中是一种比较常用的块式制动器,制动器上闸后衔铁与松闸螺栓之间的余量X即是剩余行程。
	
	 
图6鼓式制动器剩余行程
	
	 
	
电梯试梯、年检、制动力测试等试验及后期使用过程中,随着电梯运行制动抱闸的多次完成,使摩擦片发生不同程度磨损,增大制动器动铁的工作行程。经调研,许多工况下,特别是使用5年以上的制动器摩擦片实际磨损较为严重。当摩擦片磨损量超过允用剩余行程后,逐渐贴近制动轮的过程中发生顶死现象,虽然制动器的电磁力和制动弹簧的弹簧力都保持良好状态,但弹簧力完全作用到制动器松闸机构上(如图8),无法作用到制动轮上,导致制动力矩消失。
	
	 
图7块式制动器剩余行程
	 
图8 鼓式制动器无剩余行程上闸状态
	
6.2剩余行程预防措施
6.2.1鼓式制动器设计和制造时预留剩余行程安全余量,且余量较大,一般在3mm左右,加上制动臂杠杆系数(取值为(0-1))存在,摩擦片磨损量对剩余行程影响量相对较小,且在剩余行程不足前可作调整。
6.2.2在维保时,现场可以直接用塞尺检测及判定出剩余行程是否满足要求。鼓式制动器断电上闸后(制动衬垫紧贴制动轮),衔铁向里推至极限,用塞尺检查制动器衔铁(动芯)与制动螺栓间的间隙,即为剩余行程(图6)。剩余行程的调整方法参照各厂家的使用说明书。
6.2.3相对于鼓式制动器,块式制动器设计的剩余行程较小,摩擦片磨损量对剩余行程变小影响大,当剩余行程消失时,无法在整机上进行调整,需要更新制动器。
	
综上,安全剩余行程是预防衔铁顶死引发的制动器抱闸失效的一个关键因素,在设计、制造过程,预留及保证合理的剩余行程,电梯维保和检修过程中检测和调整剩余行程余量,是保证制动器可靠性的重中之重的条件。
	
07
常见热点问题-顶杆螺栓断裂的预防方案
	
鼓式制动器顶杆螺栓裂纹、断裂的情况时有发生,顶杆螺栓断裂会导致拖闸造成制动衬垫加速磨损。这种风险引起了政府电梯监管部门的重视,以下就螺栓断裂失效模式予以分析并提出相应的预防措施。
	
7.1螺栓断裂失效模式及预防措施
螺栓断裂失效模式主要有4种:
1)过载:拉伸应力或剪切应力,或弯曲应力超出允用。
2)疲劳:周期性的、循环往复的外应力超出使用极限。
3)腐蚀:酸性雨水等化学腐蚀、高抗拉强度下的应力腐蚀。
4)氢脆:酸洗、电镀或暴露于富氢环境下都可以发生。
前三种螺栓断裂失效模式主要通过设计材料、规格选型、安全余量及安装防护技术要求来保证,而氢脆引发的螺栓断裂是通过表面处理工艺来保证的。
	
目前市场上常用的紧固件、压缩弹簧的表面处理多为电镀处理,钢铁件在传统电镀工艺的酸洗、阴极除油、电镀等过程中,都有还原态氢原子生成,使晶格变形,带来内应力或使基体或镀层局部硬度增加,造成脆性。氢脆对高强度钢和弹性制件的危害特别大,电镀过程务必严格控制工艺要求,对于机械强度要求较高的钢铁紧固件、零件0.5mm以下的薄壁件及弹性材料、电镀后必须进行去氢处理(如恒温200℃、4h或真空除氢等)以预防电镀氢脆对高硬度、高强度件的影响。
	
7.2 鼓式制动器顶杆螺栓失效的预防措施
鼓式制动器顶杆螺栓机械强度要求较高,设计阶段应选择材料强度、规格型号、足够的安全系数、防腐蚀表面处理;采用电镀工艺时,须在电镀后进行去氢处理;此外,也可以考虑采用非酸洗、非电镀的其他工艺(如喷塑工艺)方案。保证顶杆螺栓不发生过载、疲劳、腐蚀及氢脆等失效模式,确保顶杆螺栓质量的可靠性。
	
三.满足TSG T7007-2022《电梯型式试验规则》的鼓式制动器方案
	
01
现生产中的常见鼓式制动器(图9)的主要零部件包括
	
①轴套导向、②静铁、 ③动铁、④线圈、⑤机壳、⑥松闸手柄等,制动器通、断电时,动铁③、静铁②之间是存在往复相对运动的。
	
	 
图9 现常用臂鼓式结构
	
02
满足TSG T7007-2022《电梯型式试验规则》的鼓式制动器设计思路
	
新鼓式制动器较现有结构的主要变化点包括:
2.1独立空间:用⑦隔板、⑧螺栓(图10)连接将原一体腔体分隔两个相对独立的空间,实现制动器两组结构均有各自独立运行空间。
2.2取消内置松闸手柄:取消图10中蓝框区域内⑥内置松闸手柄。
2.3增加外置松闸功能:
2.3.1在制动器外部与制动臂间,采用杠杆原理的⑥外置机械机构实现制动器外部松闸功能。
2.3.2采用在电梯控制柜端外接电路实现外置电动松闸功能。
注:新设计方案不涉及驱动主机外形变化、不涉及制动臂变化。
	
	 
图10 臂鼓式新结构
	
总之, TSG T7007-2022《电梯型式试验规则》的出台更好地规范制动器设计、制造及检测要求,以解决目前市场上某些厂家的设计、制造、维保问题,制动器类型各有优势,还应从提升各厂家产品质量内功出发,不以牺牲质量为代价的改进优化是电梯行业发展的重中之重,同时满足上述鼓式制动器预防对策及结合型规优化的新结构的鼓式制动器仍然是一款性能优良的好产品。
	



 

